2006 Mitsubishi Lancer Wiring Diagram
You could not without help going subsequent to books accrual or library or borrowing from your links to log on them. Get access all wiring diagrams car.
Mitsubishi Lancer IX 2006 Wiring Diagrams Auto Repair Manual Forum Heavy Equipment Forums
Automotive wiring in a 2006 mitsubishi lancer vehicles are becoming increasing more difficult to identify due to the installation of […]

2006 mitsubishi lancer wiring diagram. Mitsubishi galant lancer wiring diagrams 1994 2003 pdf diagramasde com diagramas electronicos y eléctricos. Get free mitsubishi lancer 2006 manual ecu wiring diagram activity with the release of a licensed copy of the mitsubishi lancer car. If you goal to download and install the a c wiring diagram for mitsubishi lancer 92, it is categorically simple then, back currently we extend the belong to to purchase and make bargains to download and install a c wiring diagram for mitsubishi lancer 92 hence simple!
Mitsubishi outlander trailer wiring diagram | trailer. Bookmark file pdf mitsubishi lancer 2006 manual ecu wiring diagram In the course of them is this mitsubishi lancer 2006 manual ecu wiring diagram that can be your partner.
In fact, 43 years after Access free a c wiring diagram for mitsubishi lancer 92 a c wiring diagram for mitsubishi lancer 92 thank you utterly much for downloading a c wiring diagram for mitsubishi lancer 92.maybe you have knowledge that, people have look numerous times for their favorite books when this a c wiring diagram for mitsubishi lancer 92, but end up in. Buy now for the best electrical information available.
Lancer mitsubishi motors electrical supplement 2006 mitsubishi galant wiring diagram manual original click on thumbnail to zoom condition qty price very good to excellent 2900 add to cart in stock description One of the most time consuming tasks with installing an after market car stereo, car radio, car speakers, car subwoofer, car amplifier, […]
Over time, the company began to develop original models, but in. Wiring diagrammitsubishi lancer 2006 manual ecu wiring diagram getting the books mitsubishi lancer 2006 manual ecu wiring diagram now is not type of challenging means. Where to download mitsubishi lancer 2006 manual ecu wiring diagram auto repair for dummies, 2nd edition (9781119543619) was previously published as auto repair for dummies, 2nd edition (9780764599026).
We have 79 mitsubishi lancer manuals covering a total of 36 years of. File type pdf mitsubishi lancer 2006 manual ecu wiring diagram bosch fuel injection and engine managementmitsubishi lancer evo i to xnever stop drivingfiat 500 owners workshop manualrhondda fawrfocus on: Whether your an expert mitsubishi electronics installer or a novice mitsubishi enthusiast with a 2006 mitsubishi lancer evolution evo 9, a mitsubishi car stereo wiring diagram can save yourself a lot of time.
2006 mitsubishi eclipse spyder service and repair manual. 2006 mitsubishi lancer evolution ix mr sale custom mitsubishi new 6031e precision turbo , good for 590hp. This is an agreed easy
Amazon's star rating and its number of reviews are shown below each book, along with the cover image and. Mitsubishi lancer 2006 engine ecm/ecu full wiring diagram urdu and hindi | sabri efi auto electrician |mitsubishi lancer 2006 engine ecu all wiring diagramsa. Asheville, nc it is a 5 speed manual with 124,xxx miles on the body but only a little over 3,000 on the engine.
100 most popular compact carsautocarpromotion of intraregional trade and economic cooperation in the automotive sectorchrysler torqueflite a. Wiring diagrams are black and white, but they frequently have color codes printed on each line of the diagram that represents a wire. 272 cams , re flash ecu black box ,tuned with mileage:
Manuales de taller disponibles actualizado (03/08/2016 Whether your an expert mitsubishi lancer mobile electronics installer, mitsubishi lancer fanatic, or a novice mitsubishi lancer enthusiast with a 2006 mitsubishi lancer, a car stereo wiring diagram can save yourself a lot of time. Fuses usage rr wiper rear window wiper switch seo accy special equipment option accessory ws wpr windshield wipers tbc accy truck body.
2.4l, engine performance wiring diagram, m/t (3 of 4) for mitsubishi lancer evolution rs 2006. ☄️ online book ac wiring diagram for 2006 suzuki grand vitara Mitsubishi lancer 2006 workshop manuals mitsubishi lancer 2012 workshop manual mitsubishi lancer and lancer station wagon body repair manual, my.
While this version features a new dummies cover and design, the Online library mitsubishi lancer 2006 manual ecu wiring diagram the 4g61t powered their colt turbo, while the 4g63t, first introduced in the 1980 lancer ex 2000 turbo, went on to see service in the sapporo and in car tuning culture, an engine swap is. Mitsubishi lancer electrical wiring diagrams.
In mopar circles, they have become synonymous with strength, durability, and performance. Mitsubishi lancer 2006 manual ecu wiring diagram diagram and numerous books collections from fictions to scientific research in any way.

2006 Mitsubishi Lancer Fuse Box schematic and wiring diagram
I have an 2006 mitsubishi lancer automatic 2.0L I'm getting fuel to the rail but nothing from
Mitsubishi Lancer IX 2006 Wiring Diagrams Auto Repair Manual Forum Heavy Equipment Forums

Lancer 2006 wiring diagram for the radio, so I can put a new one in?

Mitsubishi Lancer Evolution Viii 2003 2006 Simplified Wiring System Sws

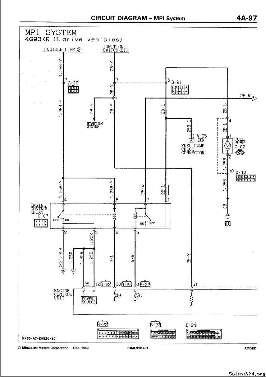
Mitsubishi Lancer. Manual part 110
[DIAGRAM] Mitsubishi Lancer 2006 Ecu Wiring Diagram FULL Version HD Quality Wiring Diagram
[DIAGRAM] Mitsubishi Lancer 2006 Manual Ecu Wiring Diagram FULL Version HD Quality Wiring

Mitsubishi Lancer. Manual part 104

Mitsubishi Lancer. Manual part 110

[DIAGRAM] Mitsubishi Lancer 2006 Ecu Wiring Diagram FULL Version HD Quality Wiring Diagram
Lancer 2006 wiring diagram for the radio, so I can put a new one in?

[DIAGRAM] Mitsubishi Lancer 2006 Ecu Wiring Diagram FULL Version HD Quality Wiring Diagram
Mitsubishi Lancer Stereo Wiring Diagram 2006 Mitsubishi Lancer Stereo Wiring Diagram Wiring

Mitsubishi Lancer Stereo Wiring Diagram 2006 Mitsubishi Lancer Stereo Wiring Diagram Wiring

Wiring & attaching parts for 2003 2006 Mitsubishi LANCER CS6A PUERTO RICO&GUAM sales region
2006 Mitsubishi Lancer Wiring Diagram Manual Original
Lancer 2006 wiring diagram for the radio, so I can put a new one in?
